- Úvod
- Vázací body, háky a třmeny
- Šroubový bod otočný s ložiskem a klíčem RSHVKSX12 M12x18 mm nosnost 750 kg
Šroubový bod otočný s ložiskem a klíčem RSHVKSX12 M12x18 mm nosnost 750 kg
- Kompletní specifikace
- Ke stažení
Šroubový bod otočný s ložiskem a klíčem RSHVKSX12 M12x18 mm nosnost 750 kgdo 3 dnů2 391 Kč/ ks1 976 Kč bez DPH
Kompletní specifikace
Šroubový bod otočný s kuličkovým ložiskem a klíčem typ RSHVKSX12 M12x18 mm nosnost 750 kg GK10, otočný 360°, hmotnost 0,46 kg.
Tento vázací bod je vhodný pro otáčení pod zatížením, ale pouze v axiálním tahovém směru.
Maximální rychlost otáčení při zatížení - 50 ot./min.
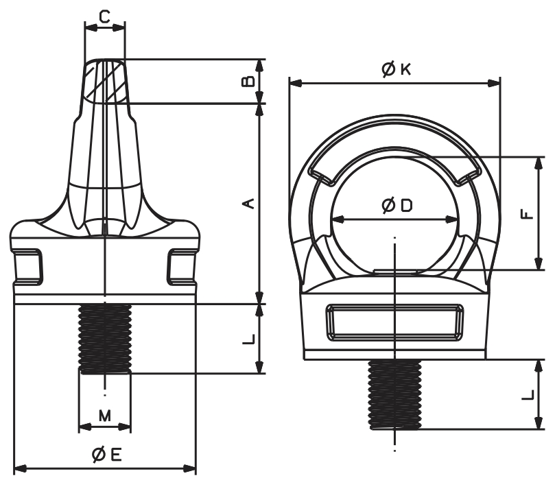
Rozměry:
MxL: M12x18 mm
A: 53,5 mm
B: 11 mm
C: 11 mm
D: 34 mm
E: 44 mm
F: 32 mm
K: 56 mm
Ke stažení
Zboží zařazeno v kategoriích












